chanpinzhongxin
免费咨询热线 029-87861972
超音速升压加热装置、升压加热装置、混合升压加热、汽水混合升压加热、汽水混合加热器、混合加热器、超音速升压加热装置、升压加热装置、混合升压加热、汽水混合升压加热、汽水混合加热器、混合加热器、超音速升压加热装置、升压加热装置、混合升压加热、汽水混合升压加热、汽水混合加热器、混合加热器、超音速升压加热装置、升压加热装置、混合升压加热、汽水混合升压加热、汽水混合加热器、混合加热器、超音速升压加热装置、升压加热装置、混合升压加热、汽水混合升压加热、汽水混合加热器、混合加热器、超音速升压加热装置、升压加热装置、混合升压加热、汽水混合升压加热、汽水混合加热器、混合加热器、超音速升压加热装置、升压加热装置、混合升压加热、汽水混合升压加热、汽水混合加热器、混合加热器、超音速升压加热装置、升压加热装置、混合升压加热、汽水混合升压加热、汽水混合加热器、混合加热器、超音速升压加热装置、升压加热装置、混合升压加热、汽水混合升压加热、汽水混合加热器、混合加热器、超音速升压加热装置、升压加热装置、混合升压加热、汽水混合升压加热、汽水混合加热器、混合加热器、
超音速汽液两相流升压加热装置
1. 技术简介
超音速汽液两相流升压加热技术是西安交通大学电厂热能动力与控制工程研究所在全国自然科学基金委(编号:50106010)和陕西省科技计划(2001C47)的共同资助下,根据汽液两相流动原理开发的最新科研成果,在该技术的基础上成功研制了SJ系列超音速汽液两相流升压加热装置。图1给出了该装置的工作原理图

超音速汽液两相流升压加热原理图
2. 工作原理
蒸汽经过喷嘴后形成超音速汽流,与低压水一起进入混合腔,充分混合后形成超音速汽液两相流,经过混合腔后压力升高,凝结成为高压热水流出。
3. 技术特性
3.1. 换热特性:该装置采用了高速蒸汽与过冷水射流直接混合的方法进行热交换,其换热系数达到 ,比常规表面式换热器效率高出两个数量级以上,是一种高效换热装置,且不受结垢和不凝结气体的影响;
3.2. 升压特性:该装置利用了蒸汽的低品位热量中的可用能,转换为机械能对冷水作功,使出口热水的压力升高。出口热水压力******可达进口蒸汽压力的3倍以上;
3.3. 启动特性:该装置仅需2-10秒的启动时间,且启动后可立即供应热水,具有很好的启动特性;
3.4. 运行可靠性:该装置完全采用流体力学原理完成升压及换热过程,无运动部件和电气控制元件,全密封,无泄露,运行稳定、安全、可靠;
3.5. 其它:该装置可节省电能,因体积小、可省略加热器、水泵,节省泵房及场地,免去维护工作量和维护费用,从而能保证设备长周期可靠运行。
4. 设计参数
4.1. 进口蒸汽压力:≥0.2MPa(表压)
4.2. 进口蒸汽流量:0.2-15t/h
4.3. 进口冷水压力:≥0.1MPa(表压)
4.4. 进口冷水温度:<75℃
4.5. 出口热水温度:高于进口冷水温度30-50℃
4.6. 出口热水压力:不超过进口蒸汽压力的2倍
4.7. 出口热水流量:1-150t/h
5.规格及性能表
型号 | 应用管径(mm) | 设计进汽压力 (MPa) | 额定蒸汽流量(t/h) | 加热温升(℃) | 热水流量(t/h) | 装置宽度(mm) | 装置长度(mm) |
SJ-50 | Ф57 | 0.3 | 0.1~1.0 | 30~60 | 1~10 | 800 | 200 |
Ф57 | 0.5 | 0.1~1.5 | 30~60 | 1~15 | 800 | 200 | |
Ф57 | 0.8 | 0.1~2.0 | 30~60 | 1~20 | 800 | 200 | |
SJ-80 | Ф89 | 0.3 | 1.0~2.0 | 30~60 | 10~20 | 1200 | 300 |
Ф89 | 0.5 | 1.5~3.0 | 30~60 | 15~30 | 1200 | 300 | |
Ф89 | 0.8 | 2.0~4.0 | 30~60 | 20~40 | 1200 | 300 | |
SJ-100 | Ф108 | 0.3 | 2.0~4.0 | 30~60 | 20~40 | 1500 | 400 |
Ф108 | 0.5 | 3.0~6.0 | 30~60 | 30~60 | 1500 | 400 | |
Ф108 | 0.8 | 4.0~8.0 | 30~60 | 40~80 | 1500 | 400 | |
SJ-150 | Ф159 | 0.3 | 4.0~8.0 | 30~60 | 40~80 | 2000 | 500 |
Ф159 | 0.5 | 6.0~12.0 | 30~60 | 60~120 | 2000 | 500 | |
Ф159 | 0.8 | 8.0~15.0 | 30~60 | 80~150 | 2000 | 500 |
SJ系列超音速汽液两相流升压加热装置均可按照用户提供的数据进行单独设计和加工。
6. 应用范围
SJ型超音速汽液两相流升压加热装置可同时实现加热和升压的目的,能广泛应用于电力、化工、制冷、造纸、生活区、宾馆及军工等行业,以取代庞大的厂房、换热设备与水泵。如:生水加热及升压、采暖热水、生活热水的制取及升压、低压乏汽回收等。
7. 经济效果
图一为采用SJ系列超音速汽液两相流升压加热装置改造热网供热的系统图。该系统应用了一台SJ-150型装置为供暖区及供应热水,代替了原供暖系统4个庞大的混合加热罐及3台75kW的热水泵,每年可节电30万度以上。经过两年的运行证明,该装置性能稳定,运行可靠,可同时满足采暖和热水供应两种负荷的要求。

图一 SJ型超音速汽液两相流升压加热装置供暖区及供应热水系统安装示意图
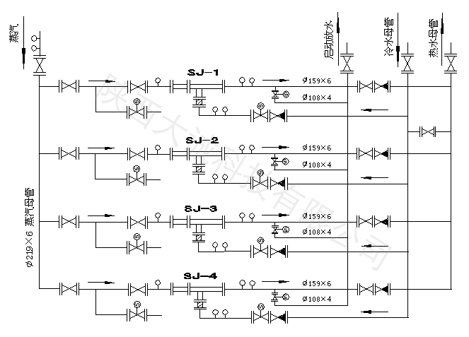
图二为河南某热电有限公司2×210MW热电联产工程除盐水系统应用SJ系列超音速汽液两相流升压加热装置系统示意图:

冷水进入SJ-150型超音速两相流升压加热器被蒸汽加热为热水流出。为满足系统实际运行中除盐水流量的要求,整个系统由4台并联组成,其******出口热水流量可达500t/h。该系统投运三年以来,运行稳定可靠,除盐水温度提高了40~60℃,降低了除氧器热负荷,提高了除氧效果,保证了机组安全运行。
图二为河南某热电有限公司2×210MW热电联产工程除盐水系统应用系统示意图
图三给出了某电厂家属区生活热水升压加热系统安装示意图。该系统由一台SJ-100/0.5型与一台变频泵并联,从水箱中抽取冷水加热升压后送出。通过调节SJ-100进汽阀的开度及变频泵的转速,可实现热水出口流量在40~120t/h之间变化。由于水质硬度较高,原系统使用的管式加热器结垢严重的问题得以解决。节省了热能、维护费用和维护工作量,自2001年投运以来,运行安全可靠。
图三某电厂家属区生活热水升压加热系统安装示意图

全国服务热线 :029-87861972 029-85278349
手机/微信:13709296539
地址:西安市雁塔区朱雀大街19号南方星座A座
邮 箱:sxdacheng@163.com